Мы используем файлы cookies в целях совершенствования нашего веб-сайта, а
также повышения удобства его использования. Отключить cookies вы можете в настройках браузера.
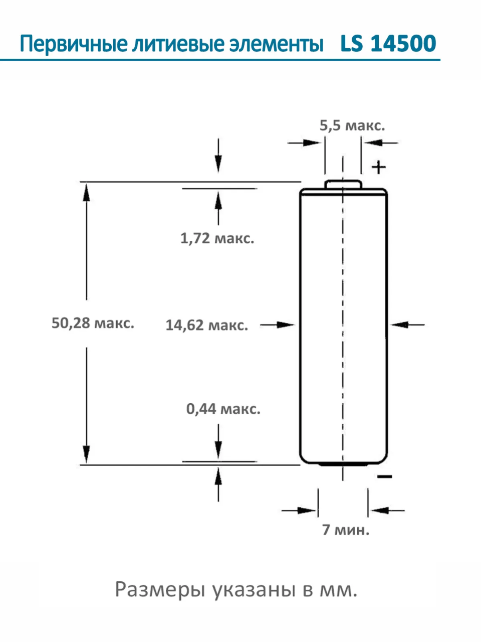
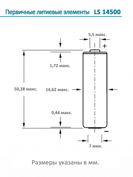
Saft LS 14500 CNA (AA) - литий-тионилхлоридная батарейка для датчиков и счетчиков с рабочим напряжением 3.6 В, емкостью 2600 мАч и проводниковыми выводами. Это батарейка, а не аккумулятор. Не заряжать - взорвется!
Данная батарейка способна работать при экстремальных температурах от - 60 до + 85 градусов и имеет долгий срок службы (до 15 лет).
Батарейка Saft LS 14500 CNR (AA) предназначена для использования в приборах с малым потреблением энергии.
Данный элемент питания может иметь маркировку: ER 14505(AA), TL-5903,
TL-2100, TL-4903, TL-5104, SL-360/S, SL-760/S, XL-060F, ER6S-TC, ER6,
ER6C, ER6LV.
Также, доступны ряд аналогов других производителей.
В нашем интернет-магазине продаются только оригинальные элементы питания Saft. В настоящее время Saft производится во Франции, Великобритании и Китае.
Абсолютно все литий-тионилхлоридные элементы питания с маркировкой ER должны быть депассивированы (активированы) перед использованием.
Тонкая пленка, образующаяся сразу после сборки элемента на заводе, снижает его выходное напряжение под нагрузкой до 2-2,5В или даже ниже вместо номинальных 3,6V. Это приводит к тому, что прибор после установки батарейки не запускается вообще или работает несколько месяцев и выключается. С другой стороны, эта пленка, возникшая в процессе пассивации, снижает ток саморазряда и позволяет хранить элементы питания до 10 лет в рабочем состоянии.
Убедиться, что элементу требуется депассивация, очень легко. Устанавливаете элемент питания в прибор, включаете и под нагрузкой измеряете напряжение. Если оно ниже 3,2В, то долго батарейка не проработает.
Большинство литий-тионилхлоридных элементов рассчитаны на длительную работу в различных датчиках на микротоках и нагружая их в процессе депассивации большими нагрузками, мы разрушаем эту тонкую пленку и восстанавливаем напряжение до номинального.
Не забывайте в процессе депассивации контролировать напряжение! Излишне долгое нахождение батарейки под нагрузкой снижает ее емкость безо всякой пользы. Подробно выполнение депассивации описано здесь.
Ваша оценка может быть важна для других. Оставьте отзыв.
Saft LS 14500 CNA (AA) : вопросы и ответы
Не нашли интересующую информацию по данному товару? Задайте ваш вопрос или оставьте комментарий.
Вы не заполнили обязательные поля
Вы должны дать согласие на обработку данных
Цены, указанные на
данном сайте, действуют только при условии оформления покупки через
интернет-магазин.
Информация о технических характеристиках, комплекте поставки и внешнем виде товара
носит справочный характер и может быть изменена производителем без предварительного
уведомления.
Товар - Радиоприёмник XHDATA D-368 доставлен во время, упакован надёжно, всё работает.
источник:
Виталий 23. 09. 2025.
5Отличный магазин
Заказывал цифровой приёмник Tecsun S-2200x. Все быстро смог оформить, задал вопрос в поддержку - отзвонились в тот же день и ответили на вопрос. Доставка четко в срок, есть возможность отслеживать заказ. Ставлю магазину твердую пятерку!!! Заказ пришел СДЭКом, все в целости. Упаковка не битая, видно сразу, что товар не б/у. Осталось освоить заказ)))).
источник:
Илья 22. 09. 2025.
5Отличный магазин
Качественный товар, прекрасно упакован и оперативно отправлен.
Заполните форму ниже и наши специалисты свяжутся с вами в
ближайшее время в часы работы службы поддержки с 9:30 до 18:00 по МСК.
Сообщить об ошибке
Если вы нашли ошибку в описании или характеристиках данного товара, будем вам признательны за информацию об
этом.
Если Вам необходимо получить ответ на данное сообщение, то укажите Ваш контактный e-mail.
Заказать обратный звонок
Заполните форму ниже и наши специалисты перезвонят Вам в указанное
время или в ближайшее возможное в период режима работы службы поддержки с 9:30 до 18 по МСК.
Войти в профиль
По телефону
E-mail и пароль
+7
Укажите номер мобильного телефона, чтобы мы
смогли вас идентифицировать для входа в личный кабинет.
В интернет-магазине ВОЛЬТА за покупку товаров начисляются бонусы. Сумма начисляемых бонусов зависит от конкретного товара и выводится под его ценой. Начисление бонусов доступно только для авторизованных на сайте покупателей.
Бонусами можно оплатить до 20% от стоимости покупки. 1 бонус = 1 рубль